光源系列

YS-COX60-X-V01

产品特点

•分光镜的镀膜特殊定制,减少光的损失

•高密度LED阵列布置,亮度高,均匀性好成像质量更高

•独特的散热结构,提高了热扩散效应,延长光源使用寿命

•主要检测物体平整光滑表面的碰伤,划伤,裂痕和异物

•专利产品,特殊的补强结构,增加了大同轴光源的安装稳定性和牢固性


行业应用

•条形码识别

•MARK点定位

•字符,二维码识别

•高反光表面的划伤检测


参数表
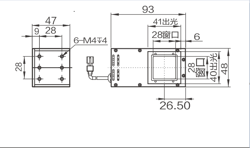
尺寸
  • 型号YS-COX60-X-V01
    颜色白 红 蓝 红外
    出光尺寸(mm)50*52
    窗口尺寸(mm)36*32
    外形尺寸(mm)58*104*60.5


  • cox60.jpg

客服电话
  • 0755-85246825
  • 18988759517
  • 19076193654
微信咨询